HCL2系列大电流功率电感器Vanguard Electronics

发布时间:2024-03-19 09:54:58     浏览:2170

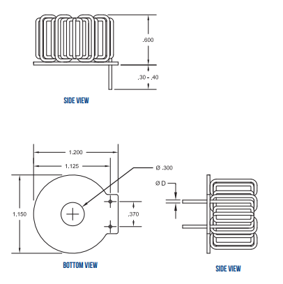
HCL2系列大电流功率电感器是Vanguard Electronics推出的一款专业电子元件,其工作温度范围广泛,可适用于?55℃至+180℃的环境。同时,它也具备卓越的存储温度范围,能够在恶劣的工作条件下保持可靠的性能。该电感器的温升特性十分优秀,用户可以通过性能曲线来了解其具体情况。此外,HCL2系列大电流功率电感器的介电耐压达到500 VRMS,确保了电流传输的安全稳定。

HCL2系列大电流功率电感器Vanguard Electronics

作为一款灵活的产品,HCL2系列大电流功率电感器可以根据用户的要求提供不同的电气值。此外,它还提供了多种终端选择,包括锡铅、无铅(符合RoHS标准)和HMP等,以满足不同用户的需求。

HCL2系列大电流功率电感器还具备防潮、防震和耐浸渍等特点,保证了其在各种苛刻的工作环境下的可靠性和稳定性。另外,该产品还采用了磁屏蔽技术,有效地减少了外界磁场对电感器的干扰,提高了电路的稳定性和可靠性。

Inductance Range (mH)

DCR max (Ohms)

Current Rating (A)

0.025 - 16.0

0.011 - 4.5

1.4 - 27.6


在应用方面,HCL2系列大电流功率电感器广泛应用于直流电源扼流圈、谐振电感、输入/输出过滤器和摆动电感等领域。例如,在直流电源扼流圈中,该电感器可以起到对电流进行控制和滤波的作用;在谐振电感中,它可以帮助电路实现振荡;在输入/输出过滤器中,它可以减少杂音和干扰,使信号更加纯净;在摆动电感中,它可以提供稳定的电力传输。

产品选型:

Vanguard
P/N
   Inductance
      ±10%
      (mH)
Inc.Inductance
(mH)
 DCR
max
(Ohms)
Rated  Current
(ADC)
Lead  Dimension
“D”
HCL2-250 0.0250.020 0.01127.6 0.052
HCL2-500 0.0500.035 0.01523.1 0.052
HCL2-750 0.0750.047 0.02020.8 0.052
HCL2-10 0.100.066 0.02717.4 0.046
HCL2-25 0.250.165 0.0710.9 0.037
HCL2-501 0.500.350 0.157.3 0.030
HCL2-75 0.750.530 0.245.9 0.026
HCL2-122  1.20.750 0.305.2 0.026
HCL2-202  2.01.2 0.504.0 0.024
HCL2-292  2.91.8 0.753.3 0.021
HCL2-502  5.03.1  1.22.6 0.019
HCL2-692  6.94.5  1.82.1 0.017
HCL2-103 10.06.6 2.81.7 0.015
HCL2-163 16.010.6 4.51.4 0.014

总结:

HCL2系列大电流功率电感器是Vanguard Electronics推出的一款高性能产品,具有广泛的应用领域和多种特点。它的高温工作、防潮防震和耐浸渍特性,以及磁屏蔽技术的应用,使其在各种苛刻的工作环境下能够提供稳定可靠的电力传输。无论是直流电源扼流圈、谐振电感、输入/输出过滤器,还是摆动电感等应用程序中,HCL2系列大电流功率电感器都能够发挥重要作用,为电路提供稳定可靠的电流控制和滤波功能。

相关推荐:

供应Vanguard Electronics变压器 

Vanguard大电流功率电感器HCPI系列 

Vanguard Electronics HCL1系列大电流功率电感器

如需了解更多关于Vanguard Electronics相关产品信息可咨询cq9电子官网入口创展

推荐资讯

  • QTCH350LD92-32K768Hz高温微型SMD振荡器Q-TECH
    QTCH350LD92-32K768Hz高温微型SMD振荡器Q-TECH 2024-08-19 09:27:09

    QTCH350LD92-32K768Hz是一款高温微型SMD振荡器,支持32.768kHz基频,工作电压2.5Vdc至3.3Vdc,功耗低于3mA。适用于-55°C至+200°C极端温度,尺寸2.5x3.2mm、3.2x5.0mm和5.0x7.0mm,镀金垫片密封,CMOS逻辑,三态输出,AT切割晶体,高抗震抗振动,符合MIL-PRF-55310军用标准,纸带和卷带包装,无铅RoHS标准。广泛应用于钻探、数据记录工具、石油服务行业等高温环境,提供精确可靠的计时解决方案。

  • 英飞凌MOTIX?6EDL7141和IMD70xA三相智能电机驱动器
    英飞凌MOTIX?6EDL7141和IMD70xA三相智能电机驱动器 2023-12-28 10:20:25

    英飞凌的MOTIX? 三相电机控制栅极驱动器 IC 支持使用 BLDC 或 PMSM 电机开发高性能电池供电产品。与有刷电机相比,低压无刷直流电机具有更高的效率和更低的维护成本。这些低压电机控制器的理想应用包括无绳电动工具、园艺产品和自动导引车。

在线留言

在线留言