XCL211B082DR降压DC/DC转换器Torex

发布时间:2024-05-21 09:37:24     浏览:2953

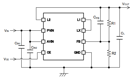
  XCL211B082DR是一款由Torex生产的超小型降压DC/DC转换器,属于XCL211系列。该系列产品将线圈和控制IC集成在一个封装内,尺寸仅为3.1mm×4.7mm,高度为1.3mm,这种紧凑的设计简化了电路板布局,并有助于减少因电路布线引起的错误动作或噪声。

XCL211B082DR降压DC/DC转换器Torex

  该转换器的输入电压范围为2.7V至6.0V,输出电压可以通过外部电阻从0.9V起任意设定,其反馈电压为0.8V±2%。XCL211系列的工作频率是固定的,这有助于抑制输出纹波。软启动时间设定为1ms(典型值),确保输出电压能够快速启动。限定电流功能设定为4.0A(典型值),内置的UVLO功能在输入电压低于2.4V(典型值)时会强制停止内部驱动晶体管的工作,以保护电路。

  当CE(Chip Enable)信号为低电平时,内置的CL放电功能会释放负载电容(CL)中的电荷,从而将待机时的消耗电流控制在1.0μA以下,有助于降低功耗。

  XCL211B082DR的主要技术参数包括:

  - 效率:高达94%(在VIN=5.0V,VOUT=3.3V时)

  - 输出电流:2.0A

  - 振荡频率:2.4MHz

  - 最大占空比:100%

  - 控制方式:PWM(XCL211)或PWM和PFM(XCL212)

  - 功能:限流(自动返回)、软启动、CL放电、UVLO

  - 输出电容:推荐使用低ESR陶瓷电容

  - 工作环境温度:-40℃至85℃

  - 包装:USP-11B01

  - 环保:符合欧盟RoHS标准,无铅

  XCL211B082DR适用于多种应用场景,包括笔记本电脑、打印机、平板电脑和便携式导航设备(PND)等。其高效率、紧凑的尺寸和丰富的保护功能使其成为电子设备中电源管理的理想选择。

更多Torex DCDC降压转换器可咨询cq9电子官网入口创展

推荐资讯

  • MTI-Milliren222系列恒温控制晶体振荡器 (OCXO)
    MTI-Milliren222系列恒温控制晶体振荡器 (OCXO) 2025-09-12 08:49:36

    MTI-Milliren 222系列是专为极端环境设计的抗振动OCXO,采用1.0×1.0×0.565英寸密封封装,具备<2.0E-10/g超低加速度敏感性和24位DAC数字调谐接口,工作温度覆盖-55℃~95℃,通过MIL-PRF-55310军规认证,特别适用于无人机、战术通信及高动态导航系统等需要对抗剧烈机械振动的场景。

  • TI 德州仪器电流感应放大器模拟输出
    TI 德州仪器电流感应放大器模拟输出 2021-03-15 17:14:22

    TI 德州仪器电流感测放大器采用独特的前端结构,使放大器的输入电压超过电源电压,并带有集成电阻,提高了精度和稳定性。

在线留言

在线留言