PMTA-0218-17-2低噪声放大器Princeton Microwave
发布时间:2024-06-18 09:15:27 浏览:2451

Princeton Microwave的PMTA-0218-17-2低噪声放大器是一款专为2 GHz至18 GHz频率范围设计的高性能射频放大器。它具有以下关键特点和规格:
- 频率范围: 2 GHz至18 GHz
- 小信号增益: 最小17 dB
- 增益平坦度: ±1.25 dB
- 噪声系数: 2 dB(中频处)
- 输入/输出回波损耗: -10 dB
- 最小输出: 18 dB
- 直流工作电压: 12 V
- 直流工作电流: 100 mA
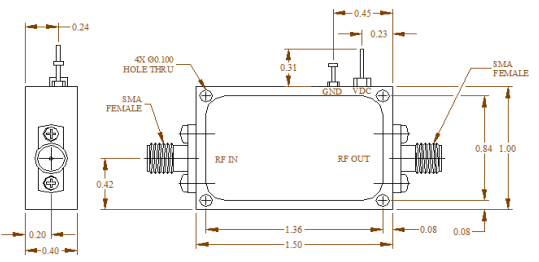
- 连接器: SMA
- 射频输入功率: 5 dBm
- 工作温度: -40℃至85℃
- 储存温度: -55℃至150℃
该放大器还具备内部电压调节和偏置排序功能,确保稳定性和可靠性。作为一个密封模块,它能在-50?C至100?C的温度范围内工作,适合在恶劣环境中使用。总体而言,PMTA-0218-17-2是一款适用于需要低噪声和高增益射频应用的设备。
PmT公司自1993年起为军事和电信市场提供高质量的微波器件,如振荡器和放大器。该公司产品系列包括各种振荡器、低噪声放大器、功率放大器、功率分配器、耦合器、滤波器、混频器等。cq9电子官网入口创展代理分销PmT公司产品,欢迎了解。
相关推荐:
相关推荐:
推荐资讯
TI德州仪器TPSM5D1806E?双输出6a电源模块是款高度集成化的dc/dc电源,灵活采用紧凑型8mm×5.5mm×1.8mmQFN封装。输入电压范围为4.5V至15v,能够将电压转换为宽电压范围的中间母线,及其标准5V和12V电流电压轨。
Statek的HGXOHT晶体振荡器是一种高温表面贴装振荡器,可以承受高达100,000 g的极高冲击。Statek提供基于AT晶体的32.768kHz和460kHz-50MHz频率HGXOHT振荡器。
在线留言