XCM526AC95DR-G降压DC-DC转换器TOREX

发布时间:2024-06-19 09:08:45     浏览:2218

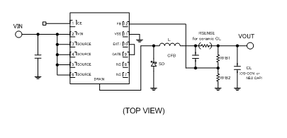
  XCM526AC95DR-G是Torex公司生产的一款高效降压DC-DC转换器。这款转换器集成了一个通用的降压DC/DC转换器IC和一个P-沟道功率MOSFET,形成了一个多重实装IC。内置的P-沟道功率MOSFET具有低导通电阻和高速开关特性,与降压DC/DC控制器配合使用,能够提供高达3A的输出电流,实现高效率和稳定的电源输出。

XCM526AC95DR-G降压DC-DC转换器TOREX

  该转换器支持使用低ESR钽电容(如OS-CON Neo电容等)作为负载电容,如果使用陶瓷电容,则需要插入RSENSE。它还内置了一个0.9V的基准电压源,允许用户通过外部电阻来设定输出电压。

  XCM526AC95DR-G提供了三种开关频率选择:300kHz、500kHz和1MHz,用户可以根据需要选择最适合的频率,以实现高效率或外置元件的小型化。工作模式方面,可以选择频率固定的PWM控制(XCM526A),或者在轻负载时工作于PFM控制,并在轻负载到重负载范围内实现高效率的PWM/PFM自动转换控制(XCM526B)。

  软启动时间可以选择由内部设定为4ms,或者通过外部设定来延长。此外,该转换器还内置了UVLO(欠压锁定)功能,当输入电压低于2.3V(典型值)时,会强制停止内部P沟道驱动晶体管的工作,以保护电路。

  XCM526AC95DR-G的电源电压范围为4.0V至16.0V,输出电压范围为1.2V至0.9V±1.5%,最大输出电流为3.0A。它支持500kHz和1MHz的工作频率,并提供PWM控制或PWM/PFM自动切换控制方式。该转换器还具备短路保护电路,导通阻抗分别为70mΩ(VGS=-4.5V)和47mΩ(VGS=-10.0V)。

  该产品符合环保要求,与EU RoHS规格对应,采用无铅工艺。XCM526AC95DR-G适用于多种应用,包括液晶电视、数码相机/摄像机、便携式游戏机和便携式设备等。

型号Control MethodsTypeOutput VoltageOscillation FrequencyPackages
XCM526AC95DR-GPWMSoft-start internally fixed0.9V500kHzUSP-12B01
XCM526AC9ADR-GPWMSoft-start internally fixed0.9V1.0MHzUSP-12B01
XCM526AD95DR-GPWMSoft-start externally set0.9V500kHzUSP-12B01
XCM526AD9ADR-GPWMSoft-start externally set0.9V1.0MHzUSP-12B01
XCM526BC95DR-GPWM/PFM automatic switchingSoft-start internally fixed0.9V500kHzUSP-12B01
XCM526BC9ADR-GPWM/PFM automatic switchingSoft-start internally fixed0.9V1.0MHzUSP-12B01
XCM526BD95DR-GPWM/PFM automatic switchingSoft-start externally set0.9V500kHzUSP-12B01
XCM526BD9ADR-GPWM/PFM automatic switchingSoft-start externally set0.9V1.0MHzUSP-12B01

更多Torex DCDC降压转换器可咨询cq9电子官网入口创展

推荐资讯

  • MAC57D5xx多核ARM基础MCU微控制器 NXP恩智浦
    MAC57D5xx多核ARM基础MCU微控制器 NXP恩智浦 2024-11-12 09:57:52

    NXP的MAC57D5xx系列是一款超可靠的多核ARM基础微控制器,专为汽车仪表盘和工业应用设计,具备Cortex-A5、Cortex-M4和Cortex-M0+多核架构,支持双WVGA显示和HUD变形,集成了先进的图形处理单元和功能安全特性,满足ISO26262 ASIL-B标准,并提供丰富的软件支持和开发工具。

  • MYRGP080060B21RC非隔离DC-DC转换器Murata村田
    MYRGP080060B21RC非隔离DC-DC转换器Murata村田 2024-05-08 09:19:10

    MYRGP080060B21RC是Murata村田生产的一款非隔离式DC-DC转换器,具有输入电压2V-6V、输出电压0.8V、最大输出电流0.6A等特点。该转换器体积小巧,工作频率高,内置多重保护功能,待机功耗低,适用于手机、蓝牙耳机等便携式电子产品。

在线留言

在线留言