DAC39RF10-SP数模转换器(DAC)TI

发布时间:2024-08-08 09:14:24     浏览:1501

DAC39RF10-SP数模转换器(DAC)TI

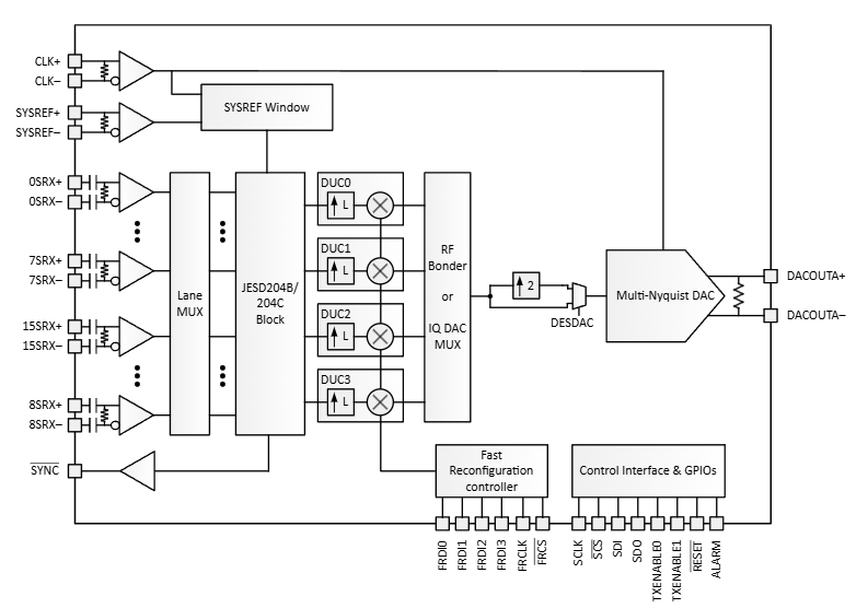
  DAC39RF10-SP 是TI德州仪器生产的一款具有 16 位分辨率的双通道和单通道数模转换器 (DAC)。以下是该产品的详细介绍:

  主要特性:

  分辨率:16 位

  DAC 通道数:2

  接口类型:JESD204B、JESD204C

  采样/更新速率:10400 Msps(双通道),20800 Msps(单通道)

  插值选项:提供多种插值倍数,包括 128 倍、12 倍、16 倍、192 倍、1 倍、24 倍、256 倍、2 倍、32 倍、3 倍、48 倍、4 倍、64 倍、6 倍、8 倍、96 倍

  功耗:典型值为 3800 mW

  无杂散动态范围:85 dB

  工作温度范围:25°C 到 25°C

  应用场景:

  直接射频采样:能够在超过 10GHz 的载波频率下生成高达 10GHz、7.5GHz 和 5GHz 的信号带宽,支持对 C 带进行直接采样。

  复数基带信号生成:适用于生成复杂的基带信号。

  任意波形生成 (AWG):利用高采样速率和 64 位 NCO 频率分辨率实现。

  直接数字合成 (DDS):支持相位相干的跳频。

  接口和同步:

  串行接口:符合 JESD204B 和 JESD204C 标准,具有 16 个接收器对,速率高达 12.8Gbps。

  确定性延迟和多器件同步:通过使用 SYSREF 实现。

  其他特性:

  超高速:适用于需要极高数据速率的应用。

  建筑电流源:确保稳定可靠的电流输出。

  引用类型:支持分机和整数类型。

  DAC39RF10-SP 是一款适用于高性能射频和通信系统的高速数模转换器,能够满足复杂信号生成和处理的需求。

推荐资讯

  • MAX3032E高性能3.3V四路RS-422发送器现货供应
    MAX3032E高性能3.3V四路RS-422发送器现货供应 2025-04-11 09:15:59

    MAX3032E是Maxim公司推出的3.3V四路RS-422发送器,具备±15kV ESD保护、20Mbps高速传输和热插拔功能,静态功耗低于330?W。其工业级设计支持热关断保护,提供16引脚TSSOP/SO封装,适用于工业自动化(如PLC通信)、高速数据采集及设备串行接口扩展等场景,兼顾高可靠性与低功耗需求。

  • X150-500/B/Y-TS HSB American Power Design高压DC-DC电源模块
    X150-500/B/Y-TS HSB American Power Design高压DC-DC电源模块 2025-09-19 08:36:50

    X150-500/B/Y-TS HSB是由American Power Design研发的高性能DC-DC电源模块,具备20-60Vdc宽输入范围、500Vdc(可定制48-500Vdc)/300mA输出能力,效率高达90%,支持持续短路保护与1000Vdc三级隔离,适应-45°C至85°C严苛环境,通过UL 60950-1和RoHS认证,专为工业自动化、医疗及测试设备等高可靠性场景设计。

在线留言

在线留言