Kulite XST-190(M)压力传感器

发布时间:2024-09-09 10:02:21     浏览:1264

  Kulite XST-190(M) 系列压力传感器是一款专为高过压环境设计的高性能传感器。它具备防损坏设计,能够在承受高过压的同时保持其完整性。

Kulite XST-190(M)压力传感器

  主要特点:

  高过压能力:能够在高过压环境下工作,避免损坏。

  防损坏设计:设计坚固,能够承受极端条件。

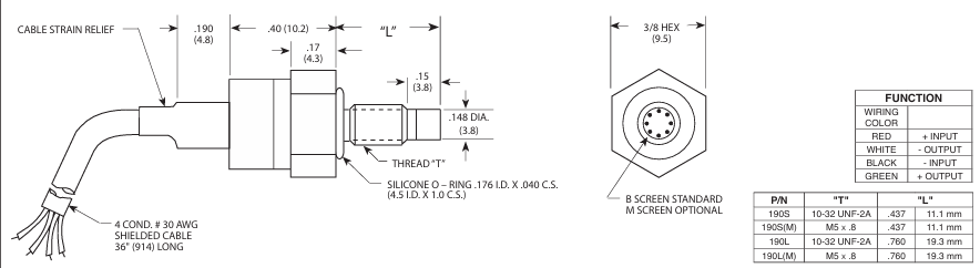
  易于安装:提供多种螺纹选项,便于安装。

  高自然频率:具有从150 KHz到550 KHz的高自然频率,适用于高速动态测量。

  硅对硅集成传感器VIS?技术:采用先进的硅对硅集成技术,提供高精度和稳定性。

  尺寸和连接:

Kulite XST-190(M)压力传感器尺寸和连接信息

  参数信息:

Kulite XST-190(M)压力传感器规格参数

  感应原理

  完全主动臂惠斯通桥:采用惠斯通桥电路,提供高精度和稳定性。

  电介质隔离的硅对硅结构:提供高可靠性和长寿命。

  备注

  - 提供不同的压力量程、精度和机械配置选项。

  - 连续开发和改进,保留规格变更权利。

  Kulite XST-190(M) 压力传感器广泛应用于需要高度可靠性和精准度的工业环境中,如航空航天、汽车测试、液压系统等领域。其高过压能力和防损坏设计使其成为极端条件下的理想选择。

Kulite是一家成立于1959年的美国传感器技术公司,专注于为航空航天、石油化工、汽车制造和军事装备等行业提供高质量的传感器解决方案。其产品线包括压力、加速度、温度和流量传感器,设计用于极端环境,确保高精度和可靠性。深圳市cq9电子官网入口创展科技有限公司是Kulite产品的授权代理商,提供咨询和销售服务。

推荐资讯

  • FLIR具有实时空气监测的移动 GC-MS GRIFFIN G465
    FLIR具有实时空气监测的移动 GC-MS GRIFFIN G465 2021-04-14 17:08:38

    FLIR? Griffin G465气相色谱/质谱(GC-MS)提供一流的化学鉴定,设计用于车辆。与G460一样,它有一个标准喷油器和一个集成的通用喷油器。FLIR Griffin G465增加了加热取样管,以支持近实时蒸汽威胁识别测量模式。FLIR Griffin G465能准确识别炸药、药品、CWA等化学物质。简化的用户界面为现场操作员和科学家提供了快速准确的结果。

  • New?Imaging?Technologies HDR CMOS 单板MN1003
    New?Imaging?Technologies HDR CMOS 单板MN1003 2021-08-03 17:08:17

    New?Imaging?Technologies?保持USB3.0输出和小规格尺寸使MonoboardMN1003系列成为了一个不错的选择集成HDR图像以史无前例的策略增强了电焊焊接过程的图像机器人和户外技术应用也能够享受New?Imaging?Technologies HDR摄像头的图像质量。

在线留言

在线留言