DMM Micro D Mix连接器Nicomatic

发布时间:2024-10-10 09:05:05     浏览:1242

  在电子连接器领域,DMM Micro D Mix 连接器以其卓越的性能和灵活的设计脱颖而出。这款连接器系列涵盖了板对板、板对线、线对线以及前后面板连接等多种应用场景,展现了其完全模块化和混合范围的特性。

DMM Micro D Mix连接器Nicomatic

  专为高性能设计

  DMM Micro D Mix 连接器系列专为电缆和印刷电路板应用而设计,提供了许多传统 Micro-D MIL-DTL-83513G 标准化连接器所不具备的优势。其机械强度得益于金属连接器外壳(采用6061型合金,含化学镍10μm),并具备360°的EMI/RFI保护,确保了在各种环境下的稳定性和可靠性。

  紧凑且抗冲击的设计

  DMM 系列连接器以其坚固、紧凑且抗冲击的设计而闻名。采用全低频或混合布局配置,这些连接器能够支持高频和/或高功率触点,触点排列从1排至4排,最多可达120个触点。这种设计不仅提供了高引脚密度(信号触点的2mm间距),还支持混合触点(低频、高频或高功率),极大地促进了设备的小型化。

  高密度与低外形

  与传统的 Micro-D 连接器相比,DMM Micro D Mix 连接器提供了更高的密度、更低的外形和更轻的解决方案。这种设计不仅节省了空间,还增强了设备的便携性和灵活性。

  模块化与通用性

  DMM 连接器的模块化设计体现在其通用的 Nicomatic 固定件,无论是公连接器还是母连接器,固定件都是相同的。此外,盖板的安装无需修改前面板或后面板,系统的理念是采用简单通用的概念实现模块化。金属屏蔽层能够抵抗电磁干扰(EMI-RFI:360°)和接地等外部因素,确保了连接器的稳定性和可靠性。

  应用广泛

  DMM 的紧凑设计非常适合微型和便携式设备或现场使用的设备,以及板载电子设备、机架和面板。例如,直角(V型)连接器提供了市场上有史以来最紧凑的解决方案。这些连接器经过设计和测试,可承受极端条件,并符合 MIL-DTL-83513G(Micro-D 标准),确保了在各种应用场景中的高性能表现。


推荐资讯

  • Winchester TRU-10734同轴射频连接器HN(f)面板插座
    Winchester TRU-10734同轴射频连接器HN(f)面板插座 2025-05-28 09:01:28

    Winchester TRU-10734 是一款军用级 HN(f) 同轴射频面板插座,符合 MIL-STD-348A 标准,采用 PTFE 绝缘体、铍铜接触件和黄铜主体,镀银/镍处理,具有 50Ω 阻抗、DC~4GHz 频段和低 VSWR,适用于军用通信、航空航天及测试仪器等高可靠性射频传输场景。

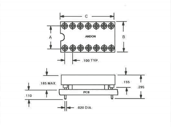
  • ANDON 高温200℃封闭框架ICDIP插座,带支架
    ANDON 高温200℃封闭框架ICDIP插座,带支架 2021-07-05 17:09:38

    ANDON?的高温200℃ DIP插座选用绝缘质料举行集成和模压,以完成非常佳的机械安全性。这些插座配有模压支架,以完成非常大的焊接可视性。特色包含:非常大的绝缘笼盖局限,以防备在高打击和振动环境短路。一个易于装备插入的引入倒角,一个关闭的底部,以防备焊料芯吸进入触碰地区,以及用于精确安置在PCB。

在线留言

在线留言