CR2870H同轴2路循环器RFCI

发布时间:2024-12-06 08:38:54     浏览:1344

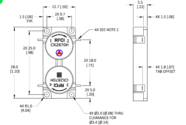
CR2870H同轴2路循环器RFCI

  CR2870H 是一款高性能的同轴双路循环器,符合 RoHS 2002/95/EC 标准,适用于需要高隔离度和低插入损耗的应用。

  电气规格

  频率范围:3400 MHz 至 3600 MHz。

  插入损耗:

  最小值:4 dB。

  典型值:小于 0.40 dB。

  最大值:0.60 dB。

  隔离度:

  P2-P1; P4-P3:最小值 22 dB,典型值大于 25 dB。

  P2-P3; P4-P1:最小值 45 dB,典型值大于 55 dB。

  回波损耗:

  P1-P2; P3-P4:最小值 22 dB,典型值大于 25 dB。

  P3-P2; P1-P4:最小值 22 dB,典型值大于 25 dB。

  功率和温度等级

  正向功率峰值/平均值:最大 500/50W。

  反向功率 CW:最大 50W。

  工作温度范围:-40°C 至 +85°C。

  存储温度范围:-40°C 至 +95°C。

  这款循环器适用于需要高频率和高功率处理能力的通信系统,如卫星通信、雷达系统和无线通信基础设施。

RFCI是一家专业生产射频(RF)环行器和隔离器的公司,产品覆盖了从50 MHz到20 GHz的频率范围,广泛应用于通信和无线基础设施。深圳市cq9电子官网入口创展科技有限公司优势代理销售RFCI产品,欢迎咨询了解。

推荐资讯

  • Teledyne SP Devices模块ADQ10GBE - Dual PXIe 10 Gigabit Ethernet Card
    Teledyne SP Devices模块ADQ10GBE - Dual PXIe 10 Gigabit Ethernet Card 2021-04-15 17:07:35

    Teledyne SP Devices? ADQ10GBE模块可以实现cpice/pxie机箱到外部主机的快速网络连接。它占用3U cpice/pxie机箱中的一个插槽,可与支持最多X8 Gen2 PCIE的背板一起使用。包含可安装在pxie控制器上的所有必要的软件驱动程序。Teledyne SP设备adq10gbe可用于Windows 7(32或64位)、Windows 8和8.1以及Linux(本机支持或ixgbe源代码)。

  • Bird 射频1000射频衰减器
    Bird 射频1000射频衰减器 2022-03-14 16:43:25

    ?Bird射频?1000瓦射频衰减器是种有价值且安全可靠的配件,可用来减少功率水平、隔离被测部件、实现谐波信号分析及其作为比较标准。

在线留言

在线留言