882-032 90° PC板安装插头:Glenair高速超小型连接器

发布时间:2024-12-26 09:06:59     浏览:894

  Glenair 882-032是一款专为恶劣环境设计的高速超小型连接器,适用于10GbE以太网应用。这款连接器以其紧凑的设计、卓越的性能和耐用性,满足了现代高速数据传输的需求。与 882-002、882-005、882-008 和 882-038 配接。

  核心特性

  高速数据传输:支持10GbE。

  超小型设计:最小的10Gb以太网航空级连接器。

  环境适应性:具备EMI保护、防水和抗冲击振动能力。

  简易安装:支持夹紧式后面板安装。

  耐用性:设计有2000次配对周期。

  防护等级:达到IP67。

  技术规格

  工作温度范围:-65°C至+175°C。

  阻抗:100欧姆。

  介电电压:100 Vrms未配对。

  电流额定值:1.5 A。

  绝缘电阻:至少100 MΩ @ 150 Vdc。

  耐用性:2000次配对周期。

  订购指南:

Glenair 882-032订购信息

尺寸:

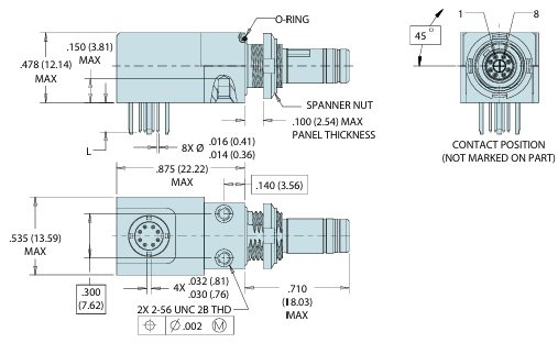
Glenair 882-032尺寸图

Glenair连接器是全球知名的高端品牌,广泛应用于航天航空、军用、舰载、精密制造等场合。深圳市cq9电子官网入口创展科技有限公司,授权代理销售Glenair产品,并提供技术支持。欢迎咨询

推荐资讯

  • Super-Twin? 轻型复合模块化连接器Glenair
    Super-Twin? 轻型复合模块化连接器Glenair 2023-03-28 16:53:52

    Glenair? Super-Twin?轻型复合模块化连接器是传统电缆线和板材连接器的直接替代品,这些连接器已经不再满足那些性能指标规范——尤其是在容易组装、电磁兼容性及其规格尺寸、体积和功率优化领域。

  • EZ-56半刚性同轴电缆EZ Form
    EZ-56半刚性同轴电缆EZ Form 2024-08-20 10:18:19

    EZ-56半刚性同轴电缆,由EZ Form制造,专为高屏蔽和精确阻抗控制设计。采用铜包覆外导体和镀银铜中心导体,PTFE介质,标称50Ω阻抗。工作温度-55℃至+100℃,屏蔽效能>165dB,支持高达108 GHz的频率,适用于高压和高频应用。

在线留言

在线留言