RFCR2888嵌入式X波段同轴环形器RFCI

发布时间:2025-02-21 13:40:56     浏览:912

RFCR2888嵌入式X波段同轴环形器RFCI

  RFCR2888是一款高性能的嵌入式X波段同轴环形器,专为需要高频率、低损耗和高隔离度的应用设计。以下是该环形器的详细介绍:

  产品概述

  RFCR2888环形器工作在X波段,频率范围从8000 MHz到10500 MHz,覆盖了X波段的主要频率。这种环形器在雷达、通信和电子对抗系统中有广泛的应用,特别是在需要高频率和高隔离度的场合。

  机械特性

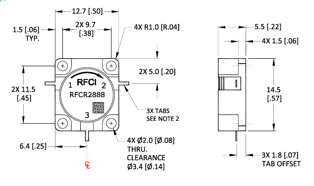
  尺寸:该环形器的尺寸为12.7 mm(0.50英寸)宽,6.4 mm(0.25英寸)高,适合嵌入式安装。

  安装:设计有4个直径为1.5 mm(0.06英寸)的安装孔,方便固定。

  引脚:2个直径为5.0 mm(0.20英寸)的引脚,3个引脚的偏移量为1.8 mm(0.07英寸),确保了良好的电气连接和机械稳定性。

  电气性能

  频率范围:8000 MHz至10500 MHz,覆盖了X波段的主要频率。

  插入损耗:典型值小于0.35 dB,最大值0.50 dB,保证了信号传输的低损耗。

  隔离度:最小值18 dB,典型值大于22 dB,提供了良好的信号隔离,防止信号干扰。

  回波损耗:最小值18 dB,典型值大于22 dB,确保了良好的信号反射特性。

  功率和温度等级

  正向功率:最大500/50瓦特,能够承受高功率信号。

  反向功率:最大35瓦特,适用于连续波(CW)操作。

  工作温度:-40至+85°C,适用于各种环境条件。

  存储温度:-40至+95°C,确保了在极端温度下的存储安全。

  应用

  RFCR2888环形器适用于需要高频率、低损耗和高隔离度的应用,如:

  雷达系统:用于信号的分离和保护接收器。

  通信系统:用于信号的隔离和方向控制。

  电子对抗:用于信号的干扰和保护。

RFCI是一家专业生产射频(RF)环行器和隔离器的公司,产品覆盖了从50 MHz到20 GHz的频率范围,广泛应用于通信和无线基础设施。深圳市cq9电子官网入口创展科技有限公司优势代理销售RFCI产品,欢迎咨询了解。

推荐资讯

  • 无人机伽马射线探测器MS-350,MS-700,MS-1000,MS-2000,MS-4000
    无人机伽马射线探测器MS-350,MS-700,MS-1000,MS-2000,MS-4000 2025-07-08 08:36:00

    BNC公司开发的轻量化伽马能谱探测系统(含5款型号)专为多平台场景设计,采用CsI闪烁体实现高灵敏度核素检测(覆盖40K/137Cs等),集成智能mDOS系统支持实时能谱分析,兼具IP65防护与-20~50℃宽温工作能力,广泛应用于环境监测(如土壤污染)、矿产勘探及核应急响应三大领域。

  • Bird射频600 瓦衰减器
    Bird射频600 瓦衰减器 2022-03-04 17:23:20

    Bird射频?600瓦常规冷却式射频功率衰减器是有市场价值且安全可靠的配件,可用来减少功率水平、隔离被测元器件、分析谐波信号并用作比较标准。

在线留言

在线留言