Microsemi 1N3595AUR开关二极管

发布时间:2025-03-21 09:02:44     浏览:1517

Microsemi 1N3595AUR开关二极管

  产品概述

  型号:1N3595AUR

  类型:开关二极管

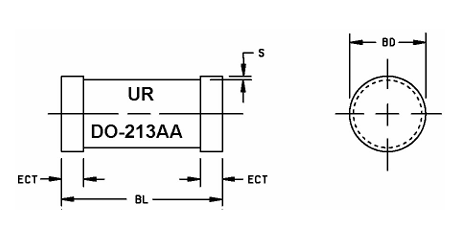
  封装形式:金属化键合,气密封装,双插头结构(DO-213AA)

  符合标准:符合 MIL-PRF-19500/241 标准

  电气特性

  直流电气特性

  正向电压(VF):

  在 25°C 环境温度下,不同正向电流(IF)下的正向电压范围:

  1mA:0.52V - 0.70V

  5mA:0.60V - 0.765V

  10mA:0.65V - 0.80V

  50mA:0.74V - 0.88V

  100mA:0.79V - 0.92V

  200mA:0.83V - 1.00V

  反向漏电流(IR):

  在 25°C 环境温度下,125V 反向电压时,反向漏电流小于等于 0.002?A

  在 -55°C 环境温度下,100V 反向电压时,反向漏电流小于等于 150?A

  在 150°C 环境温度下,125V 反向电压时,反向漏电流小于等于 3?A

  反向击穿电压(VBR):

  在 25°C 环境温度下,反向击穿电压大于等于 100V

  交流电气特性

  电容:在 0V 偏压下,电容小于等于 8.0pF

  反向恢复时间(TRR):在 10mA 正向电流和 35V 反向电压下,反向恢复时间小于等于 3.0?s

  极限参数

  工作温度范围:-65°C 至 +175°C

  存储温度范围:-65°C 至 +175°C

  浪涌电流:

  1s 正弦波:500mA

  1?s 正弦波:4A

  总功耗:500mW

  工作电流:在 25°C 环境温度下,最大 150mA

  直流反向电压(VRWM):125V

  封装尺寸

  封装类型:DO-213AA

  尺寸:

  长度(L):1.60mm - 1.70mm

  宽度(W):3.30mm - 3.70mm

  高度(H):0.41mm - 0.55mm

  引脚间距(S):最小 0.03mm

  设计数据

  封装:气密封装玻璃外壳,符合 MIL-PRF-19500/241 标准

  引脚材料:铜包钢

  引脚表面处理:锡/铅

  热阻(ZθJX):最大 70°C/W

  极性:阴极端带有标记

  应用场景

  1N3595AUR 适用于需要高可靠性和快速开关性能的电路,例如:

  高频开关电路

  电源电路中的整流和保护

  脉冲电路

  军用和航空电子设备

Microsemi 是美国高可靠性电子元器件厂商,其军级二三级管产品,被广泛应用于全球高端市场,深圳市cq9电子官网入口创展科技有限公司,授权代理销售Microsemi军级二三级产品,大量原装现货,欢迎咨询。

推荐资讯

  • Statek双端音叉力传感器
    Statek双端音叉力传感器 2024-01-03 08:57:42

    DETF力传感器的谐振频率是其尺寸、电极结构和施加的力的函数。压缩或拉伸传感器会导致相应的频率变化,如图2所示。一旦校准,测量频率的变化就会得到所施加的力。 由于DETF力传感器基于频率原理工作,因此它们不受振幅噪声以及传感器频率以外频率的噪声的影响。因此,系统中的信号可以在全振幅下工作,从而避免了通常困扰低电平测量的噪声。

  • HI-1582低功耗CMOS收发器HOLT
    HI-1582低功耗CMOS收发器HOLT 2024-07-15 09:24:06

    HI-1582是HOLT公司开发的一款低功耗CMOS收发器,专为满足MIL-STD-1553和MIL-STD-1760规范设计。作为BU-63133L8的直接替代品,它支持3.3V单电源供电,具备引脚兼容性和小型封装(7mm x 7mm QFN)。该收发器包括发射和接收功能,支持双冗余,最大功耗小于0.5W,适用于MIL-STD-1553接口、智能弹药、传感器接口等军事和工业应用。提供工业级和扩展级温度范围选项,符合严格的军事标准。

在线留言

在线留言