RFCI RFCR2911法兰安装嵌入式环行器

发布时间:2025-04-11 09:07:24     浏览:899

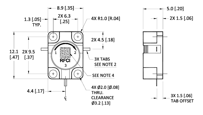
  这是RFCI生产的RFC2911的法兰安装嵌入式同轴环行器。环行器是一种用于微波和射频通信系统中的非互易性器件,它允许信号在一个方向上通过,而在相反方向上阻止信号。RFCR2911环行器适用于需要高隔离度和低插入损耗的射频和微波应用,如卫星通信、雷达系统和无线通信基站。

RFCI RFCR2911法兰安装嵌入式环行器

  电气规格

  频率范围:13.0 GHz至16.0 GHz

  插入损耗:典型值小于0.45 dB,最大值0.50 dB

  隔离度:典型值大于20 dB,最小值18 dB

  回波损耗:典型值大于20 dB,最小值18 dB

  功率和温度等级

  正向功率:峰值/平均值250/25W

  反向功率:最大10W

  工作温度:-40至+85°C

  存储温度:-40至+95°C

  机械尺寸

  尺寸:外径12.1mm,高度4.4mm

  安装孔:4个直径1.0mm的安装孔

  引脚:3个引脚,间距2.0mm

  引脚偏移:1.5mm

RFCI是一家专业生产射频(RF)环行器和隔离器的公司,产品覆盖了从50 MHz到20 GHz的频率范围,广泛应用于通信和无线基础设施。深圳市cq9电子官网入口创展科技有限公司优势代理销售RFCI产品,欢迎咨询了解。

推荐资讯

  • Bird射频数字空气负载
    Bird射频数字空气负载 2022-08-15 17:08:16

    Bird射频?的DA系列数字空气射频负载是种强制性空气冷却负载,提供了一个完全单独和便捷的形式来消耗大量的模拟或数字射频功率。

  • 电缆、MWD石油和天然气等地球物理探测器Luxium
    电缆、MWD石油和天然气等地球物理探测器Luxium 2024-12-27 09:19:53

    Luxium物理探测器具有耐用性与高性能特点,封装设计采用玻璃到金属或焊接眼孔密封及全焊接封装结构确保密封性、通过封装压缩保护晶体;材料与技术方面,主要用钠碘化物闪烁体材料并引入先进闪烁体,采用MWD探测器技术集成高性能系统;设计上可定制,高性能源于专利技术、密封性及密封技术,还提供光电倍增管集成选项;产品规格按不同封装型号有不同的操作温度、生存温度、梯度、机械冲击及振动要求,包括G型、SG和SG-XR型、MG型号以及MWD和MWD-XR型号等。

在线留言

在线留言