Renaissance 12A4BG-40N双定向耦合器

发布时间:2025-07-25 08:56:22     浏览:1632

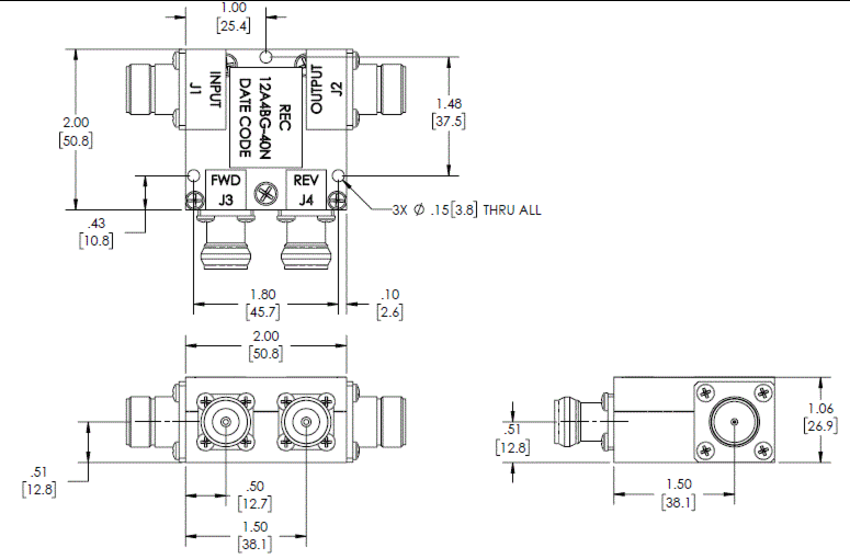
  Renaissance 12A4BG-40N是一款双定向耦合器,由 Renaissance Electronics公司生产。其工作频率范围为700MHz至4.2GHz,尺寸为2×2×1.06英寸,适用于测试和测量应用。

Renaissance 12A4BG-40N双定向耦合器

Renaissance 12A4BG-40N双定向耦合器尺寸图

Renaissance Electronics & Communications, LLC 是一家专注于高可靠性无源和有源组件以及子系统的设计和制造公司,其产品广泛应用于军事和商业领域。HXI公司(已被Renaissance收购)是一家专注于射频和微波技术的公司,主要为国防、太空和航空市场提供广泛的产品线,包括低噪声放大器、功率放大器、频率倍增器、混频器/上变频器、波导隔离器和环行器以及PIN开关等,频率覆盖从18 GHz至110 GHz。深圳市cq9电子官网入口创展科技有限公司优势供销Renaissance/HXI产品,欢迎咨询了解。

推荐资讯

  • Norsat MDKA040ANIG-DN 40W Ka双频GaN射频功率放大器BUC
    Norsat MDKA040ANIG-DN 40W Ka双频GaN射频功率放大器BUC 2025-04-25 09:16:29

    Norsat的MDKA040ANIG-DN是一款40W Ka双频段GaN功率放大器(BUC),专为卫星通信设计,支持29-31 GHz输出及950-2000 MHz输入,具备+46dBm线性功率和77dB增益。其核心优势包括-74dBm/Hz超低噪声密度、±2dB增益平坦度(36MHz带宽)及IP65+防护等级,适应-40°C至+55°C极端环境,通过N型接口和M&C控制实现地面站/移动终端的宽带通信,适用于军事、政府及卫星互联网等高可靠性场景,尺寸267×152×165mm,重5.8kg。

  • 2A5NDY S波段机场监视雷达应用同轴隔离器Renaissance
    2A5NDY S波段机场监视雷达应用同轴隔离器Renaissance 2025-09-04 08:47:38

    Renaissance 2A5NDY是一款S波段(2.6-3.1GHz)同轴隔离器,专为军用/商用雷达及卫星系统设计,具有0.3dB超低插入损耗(最大0.35dB)和≥20dB高隔离度,支持50W正向功率处理,在极端温度(-54°C至+85°C)和严苛环境下保持稳定,其1.25:1低VSWR特性使其成为机场监视雷达、电子战系统等高可靠性射频应用的理想选择。

在线留言

在线留言