IGBT模块VS-20MT120PFP,57A

发布于:2023-10-30 15:50:13

品牌名称:VISHAY

重要参数:

· 沟槽和场截止IGBT技术

· 正 VCE(on) 温度系数

· 10 μs 短路能力


  • 产品详情

“全桥”IGBT MTP(TrenchStop IGBT),57 A

IGBT模块VS-20MT120PFP主要特征

IGBT模块VS-20MT120PFP订购信息


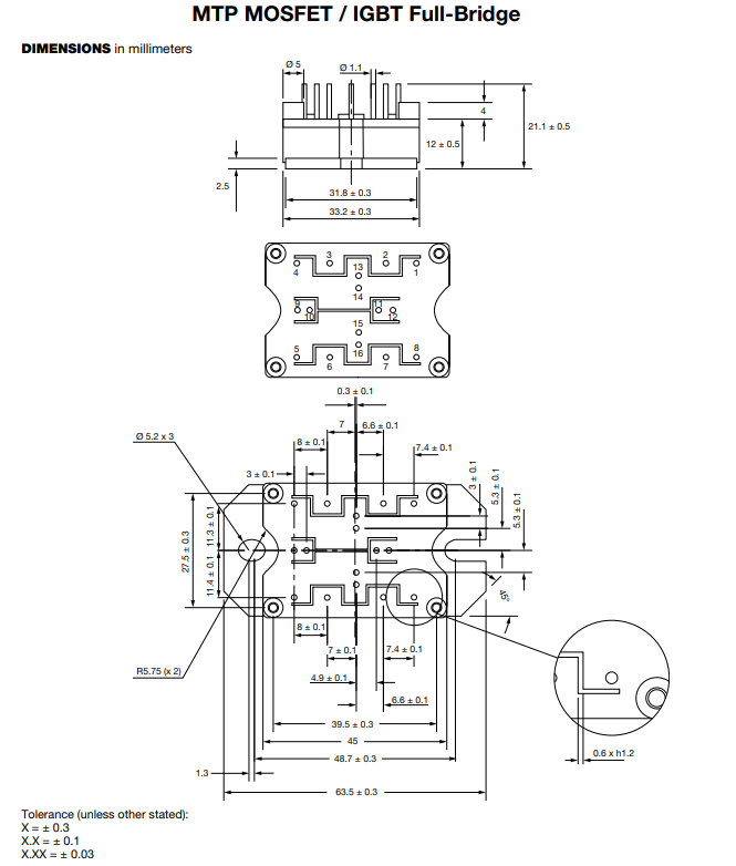
IGBT模块VS-20MT120PFP尺寸

特征:

?战壕和战场停止IGBT技术

?正VCE(on)温度系数

?10 μs的短路能力

?HEXFRED?反平行二极管与超软反向恢复

?低二极管VF

?方形RBSOA

?氮化铝DBC

?非常低的杂散电感设计,适用于高速运行

?UL认证文件E78996

?设计符合工业级标准

?材料分类:用于符合性的定义


应用:

  • 针对焊接、UPS 和 SMPS 应用进行了优化

  • 坚固耐用,性能超快

  • 出色的 ZVS 和硬开关操作


好处:

?针对焊接,UPS和SMPS应用进行了优化

?坚固耐用,性能超快

?出色的ZVS和硬开关操作

?低电磁干扰,需要更少的怠工

?优秀的电流共享并行操作

?直接安装到散热器

?PCB可焊端子

?极低的结壳热阻


在线留言

在线留言