3SMH8NF X波段表面贴装环行器

发布于:2024-11-04 16:52:45

品牌名称:Renaissance(HXI)

重要参数:

频率:9.3-9.5GHz

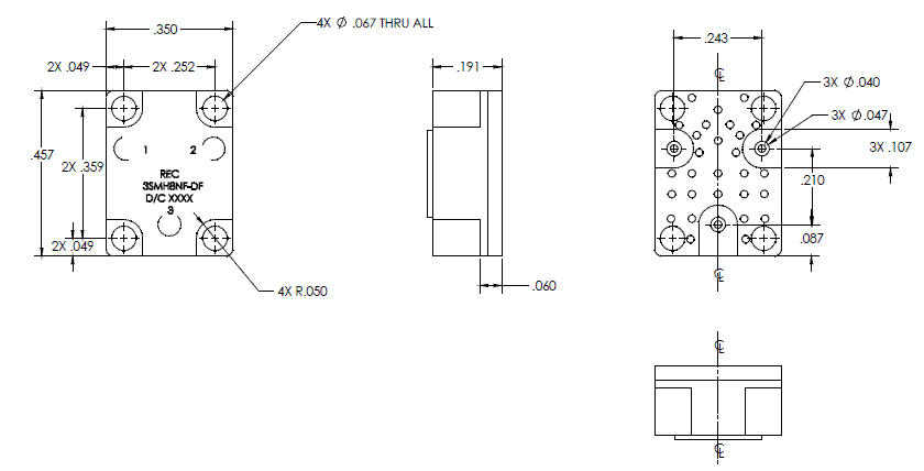
尺寸:0.35 × 0.191 × 0.457 in

插入损耗:0.6dB

隔离度:20dB


  • 产品详情

REC 的 3SMH8NFL是能处理10W功率的X波段表面贴装环行器,它的工作频段在9.3 - 9.5 GHz之间,损耗仅为0.6 dB,采用真正的表面贴装技术(SMT)设计,所占空间极小,仅为0.457英寸×0.350英寸。而且,该环行器的设计具备很高的温度稳定性,能够在 - 55至100°C的温度范围内正常工作。

  特点和优点

  ?真正的表面安装共面设计

  ?低损耗,高隔离

  ?高温稳定性

  ?拾取和放置兼容

  ?提高系统性能

  ?可用于高分辨率雷达和无线电应用

  特性参数

  频率:9.3 - 9.5 GHz

  插入损耗:0.6 dB

  隔离度:20dB

  VSWR (Max): 1.25: 1

  功率:10w连续输出,150w PK

  温度:-55℃~ 100℃

  储存温度:-60°C ~ 120°C

  尺寸:0.35 × 0.191 × 0.457 in

3SMH8NF贴片大功率环行器

在线留言

在线留言