欢迎来深圳市cq9电子官网入口创展科技有限公司官方网站!
24H服务热线
0755-83050846 / 83039348
Test测试设备
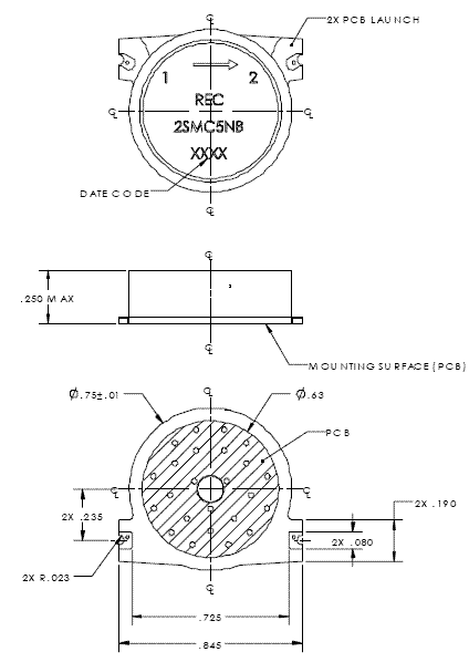
品牌名称:Renaissance(HXI)
重要参数:
频率:3.1-3.5GHz
尺寸:0.845 × 0.75 × 0.25英寸
上一个: 2SMC5NA表面贴装高功率隔离器3.3-3.7GHz
下一个: 2SMH6NA高功率隔离器4.29-6.02GHz
推荐产品
在线留言